Fluke
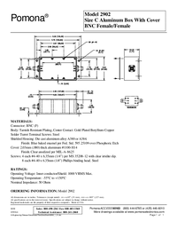
2902 Shielded Box, Size C
Shielded Box, Size C (4.25" X 2.64" X 1.71") With 2 BNC (F) Blue Enamel, With Cover
Request a Calibration Quote
We’re here to make calibration easy. Request a quote today and let our team give you the care, precision, and service you can trust.
Learn moreBrowse By Brands
Uncover the brands that set the standard for quality and dependability in every industry we serve.
Learn more
